Комплект автоматики для твердопаливного котла SP-30 PID + вентилятор X2
Комплект автоматики для твердопаливного котла SP-30 PID + вентилятор X2 (з датчиком димових газів)
Ефективність системи опалення залежить не лише від конструкції теплообмінника, а й від того, наскільки точно керується процес горіння. Автоматика для котла твердопаливного серії SP-30 PID у комплекті з турбіною X2 та датчиком вихідних газів — це сучасне рішення, яке перетворює звичайний котел на "розумну" систему з мінімальною витратою палива.
Цей комплект дозволяє модернізувати більшість побутових котлів, забезпечуючи плавне регулювання температури та захист від тепловтрат.
Блок керування SP-30 PID: Інтелект вашого котла
Контролер SP-30 PID — це автоматика для твердопаливного котла, що працює за вдосконаленим алгоритмом. На відміну від простих моделей, які просто вмикають і вимикають наддув (режим on/off), цей блок використовує PID-регулювання.
Він аналізує динаміку нагріву теплоносія і автоматично підбирає потужність обертання вентилятора. Це дозволяє утримувати температуру води на стабільному рівні без різких стрибків та інерційних перегрівів. Контролер керує роботою нагнітальної турбіни та циркуляційного насоса, маючи інтуїтивно зрозумілий дисплей для налаштування параметрів.
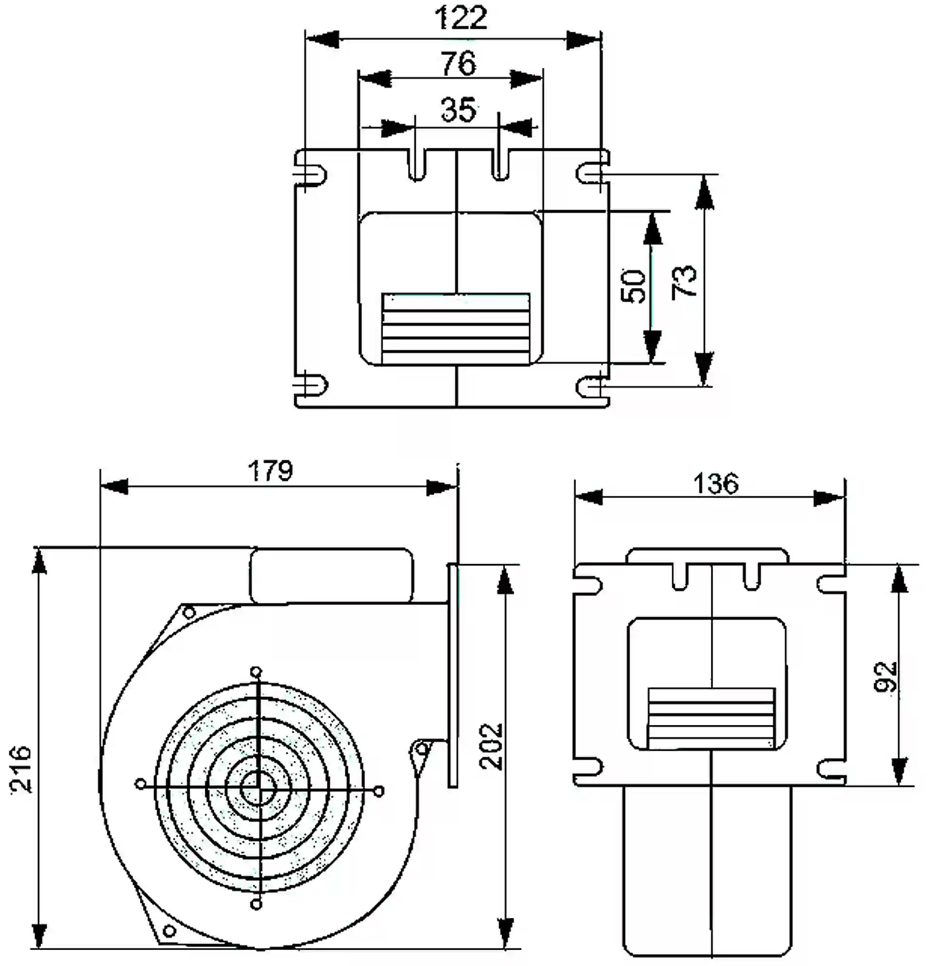
Нагнітальний вентилятор X2
Турбіна серії X2 відповідає за подачу повітря в камеру згоряння. Її конструкція розроблена для роботи в запилених умовах котелень:
- Корпус: Виконаний з алюмінієвого сплаву, що забезпечує міцність та добре відведення тепла від двигуна.
- Двигун: Надійний, змонтований на зовнішній стороні корпусу для захисту від перегріву.
- Заслінка: Вентилятор оснащений механічною заслінкою (клапаном), яка автоматично закривається при вимкненні вентилятора. Це запобігає зворотній тязі та неконтрольованому доступу повітря до вогнища, коли котел знаходиться в режимі очікування.
Алгоритм роботи з датчиком димових газів
Головна особливість, яка робить цей комплект, можливо, тим, що називають найкраща автоматика для твердопаливного котла у своєму класі — це наявність датчика температури димових газів (PT-1000).
Як це працює?
Стандартна автоматика орієнтується лише на температуру води. Якщо вода холодна, вентилятор дме на 100%, і все тепло може просто вилетіти в трубу.
Модель SP-30 PID працює інакше:
- Контролер постійно моніторить температуру вихлопу.
- Ви встановлюєте максимальний поріг температури диму (наприклад, 200°C).
- Якщо температура газів перевищує цю норму, автоматика примусово знижує оберти вентилятора, навіть якщо вода в системі ще не нагрілася до заданої точки.
Це змушує тепло затримуватися в теплообміннику котла і передаватися воді, а не гріти вулицю.
Переваги використання комплекту SP-30 PID + X2
Встановлення цього обладнання надає користувачеві реальну вигоду:
- Економія палива до 20-30%: Завдяки контролю температури диму, дрова чи вугілля спалюються максимально ефективно.
- Зменшення викидів: Повне згоряння палива зменшує кількість сажі та шкідливих речовин.
- Збільшення ресурсу котла: Відсутність різких перепадів температур подовжує життя металу.
- Безпека: Система сповістить про перегрів або закінчення палива звуковим сигналом.
Якщо ви хочете платити менше за опалення і рідше підходити до котла, рішення купити автоматику для твердопаливного котла з PID-регулюванням стане найкращою інвестицією в комфорт вашого дому.













