Циркуляційний насос GRS UPC 25/60/130 з дротом
Циркуляційний насос GRS UPC 25/60/130 (червоний) з кабелем: ефективне теплопостачання
Правильний рух теплоносія — це запорука того, що батареї будуть гарячими навіть у найвіддаленішій кімнаті будинку. Циркуляційний насос GRS UPC 25/60/130 розроблений для стабільної роботи в системах опалення, кондиціонування та водопостачання. Ця модель вирізняється компактністю (монтажна база 130 мм) та повною готовністю до роботи завдяки наявності кабелю живлення в комплекті.
Пристрій належить до типу насосів з «мокрим» ротором. Це означає, що двигун охолоджується рідиною, яку перекачує, що забезпечує тиху роботу без вібрацій. Таке рішення дозволяє встановлювати обладнання безпосередньо в житлових зонах, не переймаючись через зайвий шум.
Надійний насос для опалення: технічні переваги та конструкція
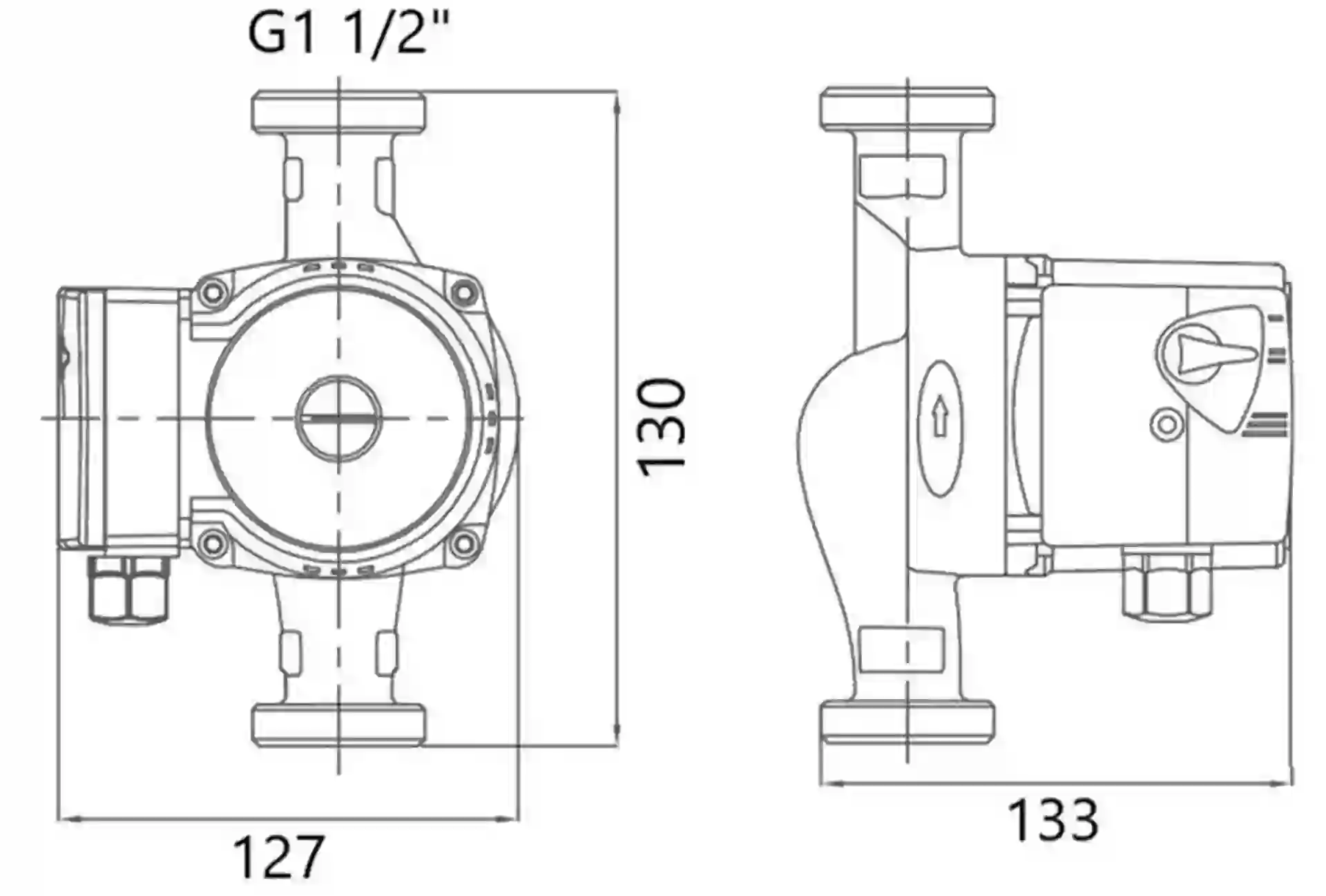
Модель GRS UPC 25/60/130 — це оптимальний вибір для тих, хто має обмежений простір для монтажу. Стандартні насоси мають довжину 180 мм, тоді як ця модифікація має базу 130 мм. Такий циркуляційний насос для опалення найчастіше використовується в колекторних шафах для теплої підлоги або в компактних котлових модулях.
Головні особливості конструкції, що впливають на експлуатацію:
- Гнучке керування потужністю: Механічний перемикач має три швидкості (46, 67, 93 Вт). Це дозволяє налаштувати продуктивність під реальні потреби системи, уникаючи перевитрат електроенергії.
- Висока продуктивність: При максимальному напорі 6 метрів насос перекачує до 55 л/хв, що достатньо для обігріву двоповерхового будинку або великої квартири.
- Міцність: Корпус стійкий до корозії та витримує температуру рідини до +110 °C.
Варто зазначити, що в комплектацію входить кабель з євровилкою, що значно спрощує підключення до електромережі. Однак з’єднувальні гайки в набір не входять, тому, якщо ви проводите монтаж «з нуля», їх необхідно придбати окремо.
Чому варто купити насос для опалення GRS?
Використання примусової циркуляції дозволяє системі нагріватися швидше і рівномірніше. Якщо ви вирішите купити насос для опалення цієї серії, ви отримаєте енергоефективне обладнання, яке швидко окупить свою вартість завдяки економії палива (газу або електрики) котлом.
Ключові вигоди для користувача:
- Простота монтажу: Різьбове підключення 1 1/2" (під трубу 25 мм або 1 дюйм) є стандартом для побутових систем.
- Універсальність: Підходить як для радіаторних мереж, так і для систем «тепла підлога».
- Гарантія якості: Виробник надає 12 місяців гарантії на електричну та гідравлічну частини.
Циркуляційний насос GRS — це баланс між доступною ціною та перевіреною надійністю, що робить його одним із лідерів у своєму сегменті.







