Циркуляційний насос GRS UPC 25/60/180 з дротом
Циркуляційний насос GRS UPC 25/60/180 (червоний) з кабелем: стабільне тепло у вашому домі
Забезпечення безперебійного руху теплоносія — головне завдання будь-якої сучасної системи обігріву. Циркуляційний насос GRS UPC 25/60/180 — це надійний агрегат, розроблений для примусової циркуляції води в замкнутих системах опалення та водопостачання. Ця модель ідеально підходить для приватних будинків, котеджів та невеликих промислових приміщень, гарантуючи рівномірний прогрів усіх радіаторів або контурів теплої підлоги.
Головною особливістю пристрою є конструкція з «мокрим» ротором. Це означає, що двигун охолоджується рідиною, яку він перекачує. Таке технічне рішення забезпечує безшумну роботу та тривалий термін експлуатації без необхідності складного технічного обслуговування.
Чому варто купити насос для опалення GRS UPC 25/60/180
Вибір насосного обладнання часто базується на балансі ціни, продуктивності та простоти монтажу. Ця модель вирізняється продуманою комплектацією та технічними параметрами, які закривають потреби більшості побутових систем.
Ключові переваги моделі:
- Енергоефективність. Насос має три швидкості роботи (46, 67 та 93 Вт). Завдяки механічному перемикачу ви можете самостійно регулювати потужність залежно від погоди чи потреби в теплі, суттєво економлячи електроенергію.
- Легке підключення. На відміну від багатьох аналогів, цей циркуляційний насос для опалення постачається вже з кабелем та євровилкою. Вам не потрібно витрачати час на зачищення дротів та пошук контактів — пристрій готовий до роботи «з коробки».
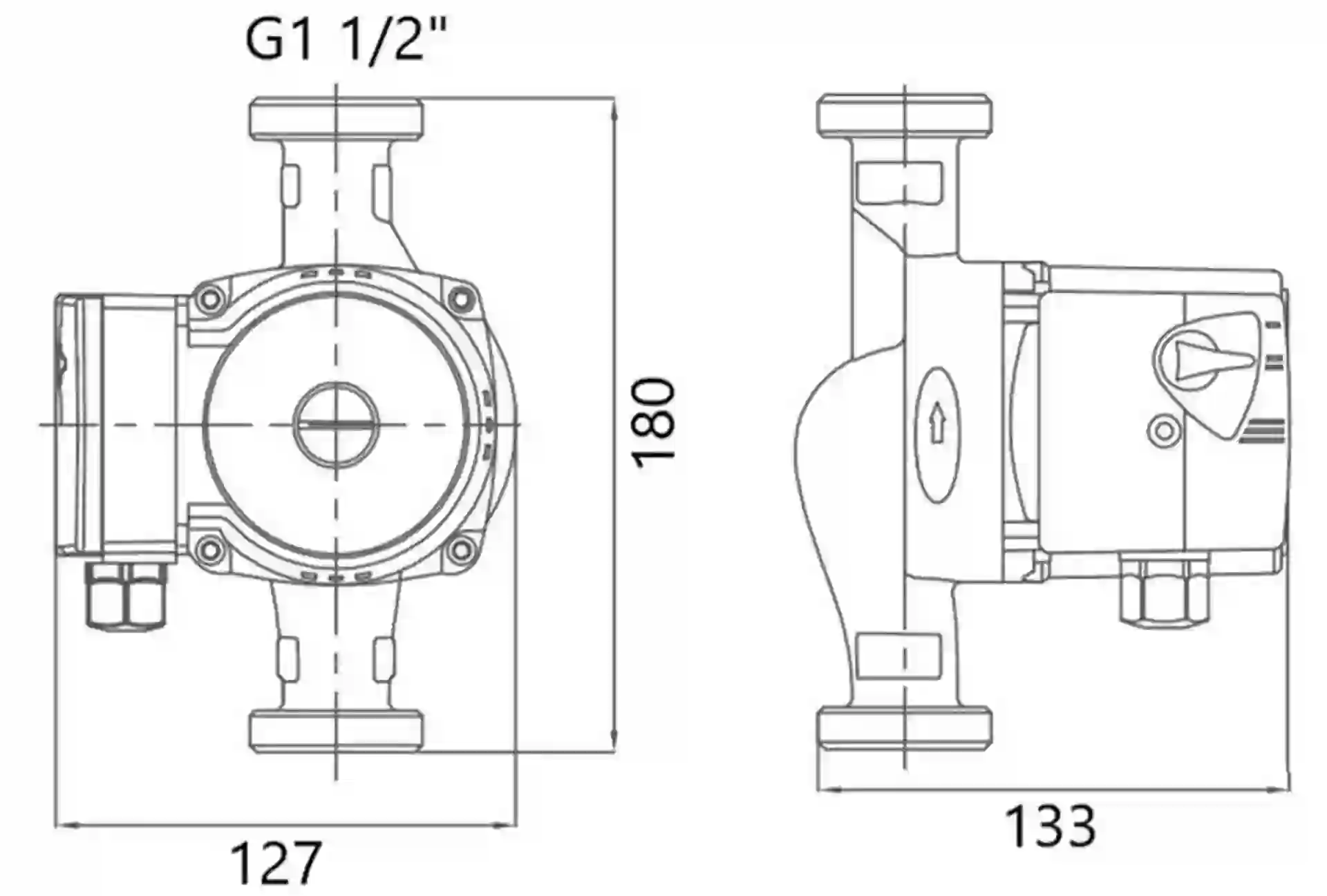
- Універсальність монтажу. Стандартна монтажна база 180 мм дозволяє легко встановити агрегат на місце старого насоса більшості відомих брендів.
Важливо: У комплектацію даної моделі з'єднувальні гайки не входять. Це зручно, якщо ви просто замінюєте старий прилад і плануєте використати існуючі кріплення, не переплачуючи за нові деталі.
Технічні особливості та надійність в експлуатації
Якщо ви шукаєте якісний насос для опалення, зверніть увагу на витривалість GRS UPC. Корпус стійкий до корозії, а електрична частина надійно захищена. Максимальний напір у 6 метрів дозволяє підіймати теплоносій на другий поверх або ефективно прокачувати розгалужену систему "теплої підлоги".
Насос розрахований на роботу з чистою водою температурою до +110°C, що робить його сумісним як з газовими, так і з твердопаливними котлами, де можливі стрибки температури.
Що ви отримуєте на практиці:
- Продуктивність до 55 л/хв — швидкий прогрів приміщення після запуску котла.
- Тиша в домі — відсутність вібрацій та гудіння завдяки якісним підшипникам.
- Безпека — офіційна гарантія 12 місяців на гідравлічну частину та двигун.
Замовляючи цей агрегат, ви інвестуєте в комфорт своєї родини та стабільність опалювального сезону.







