Циркуляційний насос GRS UPC 25/60/180 сірий
Циркуляційний насос GRS UPC 25/60/180: стабільне тепло та енергоефективність
Забезпечення безперебійного руху теплоносія — головна умова комфортної температури в будинку. Циркуляційний насос GRS UPC 25/60/180 розроблений саме для того, щоб ваша система опалення працювала як годинник. Це класична модель з "мокрим" ротором, яка поєднує в собі доступну вартість, високу продуктивність та простоту монтажу.
Наявність у комплекті кабелю з євровилкою значно спрощує підключення — вам не потрібно шукати дроти чи розбирати клемну коробку, пристрій готовий до роботи відразу з коробки.
Навіщо потрібен циркуляційний насос для опалення GRS?
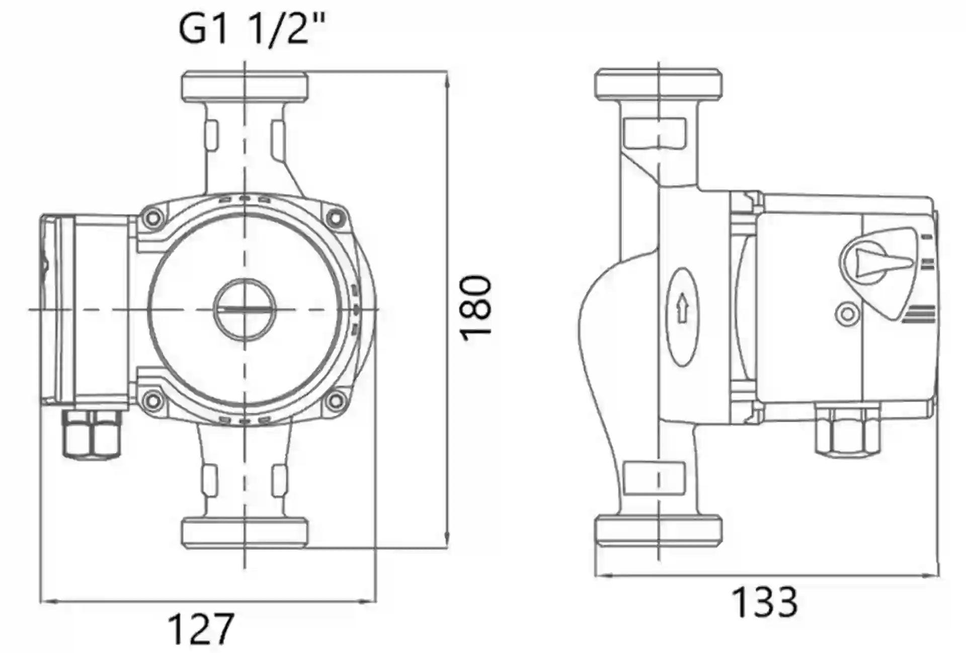
Головна функція цього пристрою — примусове переміщення води або гліколевої суміші по трубах. Це дозволяє радіаторам нагріватися рівномірно навіть у найвіддаленіших кімнатах. Модель GRS UPC 25/60/180 (сірий) має монтажну базу 180 мм, що є стандартом для більшості побутових систем, та підключення 1 1/2".
Ключові особливості конструкції:
- Три швидкості роботи: Ви можете самостійно регулювати потужність (93/67/46 Вт) за допомогою механічного перемикача. Це дозволяє економити електроенергію в теплі дні та вмикати максимум у морози.
- Надійні матеріали: Корпус стійкий до корозії, а внутрішні елементи розраховані на роботу з рідиною температурою до +110°C.
- Тиха робота: Завдяки конструкції з мокрим ротором, підшипники змащуються рідиною, що перекачується, що суттєво знижує рівень шуму та вібрації.
Коли варто купити насос для опалення GRS UPC 25/60?
Ця модель є універсальним рішенням для приватних будинків середньої площі, котеджів або квартир з індивідуальним опаленням. Максимальний напір у 6 метрів дозволяє підіймати воду на другий поверх, долаючи гідравлічний опір системи.
Якщо ви вирішили купити насос для опалення, зверніть увагу на комплектацію цієї моделі. Виробник постачає пристрій без приєднувальних гайок, що є плюсом для тих, хто робить заміну старого насоса і вже має необхідну арматуру, не переплачуючи за зайві деталі.
Переваги використання циркуляційного насоса для опалення GRS:
- Економічність: Споживання на першій швидкості складає всього 46 Вт.
- Зручність: Кабель живлення вже змонтований.
- Продуктивність: Перекачує до 55 літрів рідини на хвилину, швидко прогріваючи систему.
- Універсальність: Підходить для систем опалення, теплої підлоги та кондиціювання.
Технічні характеристики та монтаж
Встановлення насоса має проводитися так, щоб вал двигуна знаходився в горизонтальному положенні. Це критично важливо для змащування підшипників та довговічності приладу. Перед запуском систему необхідно промити та видалити повітря.
| Характеристика | Значення |
| Максимальний напір | 6 м |
| Монтажна довжина | 180 мм |
| Потужність (3 швидкості) | 93 / 67 / 46 Вт |
| Діаметр підключення | 1 1/2" (півтора дюйма) |
| Макс. температура рідини | 110 °C |
| Комплектація | Насос, кабель з вилкою (без гайок) |
Висновок: Насос GRS UPC 25/60/180 — це робоча конячка для вашої котельні. Він забезпечує стабільну циркуляцію без зайвого шуму та витрат, гарантуючи тепло у вашій оселі протягом усього опалювального сезону.







